Hardware interfacing | Temperature and humidity sensor (SHT41)
General specifications
[https://sensirion.com/products/catalog/SHT41]
Humidity
Typ. relative humidity accuracy
1.8 %RH
Operating relative humidity range
0 - 100 %RH
Response time (τ63%)
4 seconds
Calibration certificate
Factory calibration
Temperature
Typical temperature accuracy
0.2 °C
Response time (τ63%)
2 seconds
Generic
Supply voltage
1.08 - 3.6 V
Average supply current
0.4 uA
Operating temperature range [°C]
-40 - 125 °C
SHT41
https://sensirion.com/media/documents/33FD6951/67EB9032/HT_DS_Datasheet_SHT4x_5.pdf
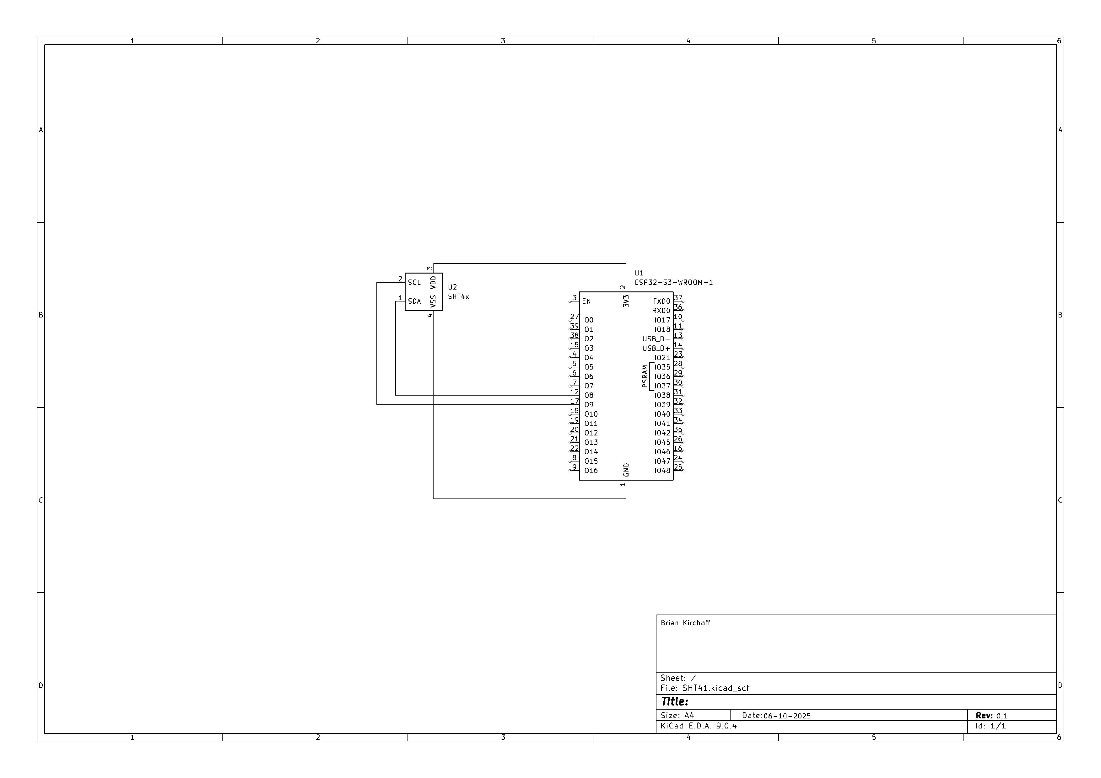
For communication between the SHT41 and the ESP32-S3 MCU, I2C is used. The SHT41's I2C pins (SDA & SCL) use 10k pull up resistors. The SHT41 can be powered by the ESP32's 3v3 output.

IMPORTANT NOTE: The SHT41's I2C address 0X44 is fixed and cannot be changed.

Library example
1 2 3 4 5 6 7 8 9 10 11 12 13 14 15 16 17 18 19 20 21 22 23 24 25 26 27 28 29 | |
PlatformIO setup
https://www.espboards.dev/sensors/sht41/
Required libraries: adafruit/Adafruit SHT4x Library@^1.0.5
for testing: platformio.ini
1 2 3 4 5 6 7 | |
Heater
Although probably not applicable in this project, the SHT41 has a built-in heater which can be used to improve humidity sensing accuracy.